Guangdong Ruisite Electric Co., LTD.
Guangdong Ruisite Electric Co., LTD.
Products
Low Resistance Shunt
  • Low Resistance ShuntLow Resistance Shunt
  • Low Resistance ShuntLow Resistance Shunt
  • Low Resistance ShuntLow Resistance Shunt
  • Low Resistance ShuntLow Resistance Shunt
  • Low Resistance ShuntLow Resistance Shunt
  • Low Resistance ShuntLow Resistance Shunt

Low Resistance Shunt

RST Electric presents Low Resistance Shunt – a precision, high-current current sensing solution designed for demanding automotive, industrial, and renewable energy applications. Utilizing vacuum electron beam welding technology with pure copper electrodes, this Current Shunt delivers exceptional stability, high pulse withstand capability, and ultra-low resistance values from 0.1mΩ to 0.667mΩ. With power ratings up to 15W and tolerances as tight as ±0.5%, it is ideal for battery management systems (BMS), motor drives, inverters, and high-frequency power conversion. The all-metal construction features a pickled and passivated surface for superior corrosion resistance and weatherability, while ultra-low inductance (<5nH) and minimal thermal EMF ensure accurate measurement in fast-switching circuits. Fully compliant with RoHS and Reach, this High Precision Shunt is available in multiple form factors with custom specifications supported. 

RST Electric has been deeply engaged in the field of low-resistance shunts for over 10 years. We have specially developed Low Resistance Shunt for scenarios that require extremely high detection accuracy and stability, such as in the automotive, industrial, and renewable energy sectors. We have addressed the issues of insufficient accuracy, poor stability, and susceptibility to environmental factors in traditional shunts when dealing with high current scenarios. Our product is widely compatible with battery management systems (BMS), motor drivers, inverters, and high-frequency power conversion equipment. It is the preferred core component for numerous global automotive tier-one suppliers and energy storage enterprises.


Product features


We always focus on the core demands of the buyers. The Low Resistance Shunt adopts a fully metal structure and advanced vacuum electron beam welding technology, enabling precise detection of high currents under ultra-low resistance. It also has excellent corrosion resistance and vibration resistance properties, perfectly suitable for harsh working environments such as automotive engine compartments and outdoor industrial equipment. It fully complies with RoHS and REACH environmental standards, and there is no need to worry about compliance risks.


Core Process


We employ vacuum electron beam welding technology, which is one of our core advantages that distinguishes us from ordinary manufacturers. Unlike traditional brazing processes, through vacuum electron beam welding, we seamlessly fuse high-precision alloy resistive components with pure copper electrodes into a single integrated structure. This eliminates the influence of contact resistance at its source, ensuring the stability and mechanical integrity of the product during long-term operation.

The entire welding process is completed in a vacuum environment, effectively avoiding problems such as oxidation and impurity contamination during the welding process. The welding joints have high strength and good conductivity, and can withstand intense vibrations and temperature cycles. They are fully compatible with complex working conditions such as vehicle driving and industrial equipment operation.

We have a complete independent production system, from alloy selection, vacuum electron beam welding, to surface passivation treatment and finished product inspection. We control the entire process independently, and each step is strictly controlled to ensure that the welding quality of every Low Resistance Shunt is consistent and to eliminate detection deviations caused by process defects.


Technical Specification


Parameter

Specification

Series

FLU

Resistance Range

0.1mΩ – 0.667mΩ

Power Rating

Max. 15W

Tolerance

±0.5% (D), ±1% (F), ±5% (J)

Temperature Coefficient (TCR)

Min. 25 ppm/°C (typical)

Inductance

< 5nH (ultra-low)

Thermal EMF

Extremely low (all-metal construction)

Operating Temperature Range

-55°C to +170°C

Construction

Vacuum electron beam welded alloy + pure copper electrodes

Surface Treatment

Pickling and passivation (anti-sulfur, anti-corrosion)

Mounting

Through-hole / Bus bar connection

Termination

Tinned copper terminals (I1, I2 current inputs; U1, U2 voltage sense)

Measurement Method

4-wire Kelvin connection

Compliance

RoHS 2.0, Reach

Applications

Battery management, motor drives, inverters, high-frequency power conversion

 

Electrical & Reliability Performance


Test Item

Performance Requirement

Test Method

Temperature Coefficient (TCR)

Within specified tolerance

IEC 60115-1 4.8, measure at 20°C and +130°C, reference +25°C

Short Time Overload

No visible damage, ΔR≤ ±1%

5× rated power for 5 seconds

Damp Heat (Steady State)

No visible damage, ΔR≤ ±1%

MIL-STD-202 method 103, 85°C / 85% RH, 10% rated power, 1000 hours

High Temperature Storage

No visible damage, ΔR≤ ±1%

IEC 60115-1 4.25.3, 1000 hours @ 170°C, no load

Low Temperature Load

No visible damage, ΔR≤ ±0.5%

IEC 60115-1 4.36, cool to -55°C (no load 1.5h), apply rated power 45 min, cool 15 min

Temperature Cycling

No visible damage, ΔR≤ ±1%

IEC 60115-1 4.19, -55°C (30 min)↔ +155°C (30 min), 1000 cycles

Load Life

No visible damage, ΔR≤ ±1%

IEC 60115-1 4.25.1, 70°C, rated current, 1.5h on / 0.5h off, 1000 hours


Core performance advantages


(1) Ultra-low resistance and high accuracy

Our Low Resistance Shunt has a resistance range covering 0.1mΩ to 0.667mΩ, capable of precisely detecting high currents ranging from 75A to 300A. The corresponding full-scale voltage drop is 30mV to 75mV. It can directly interface with analog-to-digital converters and operational amplifiers, without the need for additional adapter components. This significantly reduces the equipment integration costs for purchasers. Additionally, we offer three standard tolerances: ±0.5%, ±1%, and ±5%. The ±0.5% high-precision version can meet scenarios with extremely high detection accuracy requirements, such as battery state estimation (SoC), with the minimum customizable tolerance reaching as low as ±0.25%. It fully adapts to different purchasing needs.

(2) Low temperature coefficient and wide temperature adaptability

The core component of the shunt device is made of high-precision alloy material, with a temperature coefficient as low as 25ppm/°C. This ensures that within the wide working temperature range of -55°C to +170°C, the resistance drift is extremely small, and the detection accuracy remains stable all the time. During actual production tests, we found that even in extreme environments such as high temperatures in the car engine compartment and low temperatures outdoors, this shunt device can still maintain excellent detection performance, without data deviation due to temperature changes. It completely solves the industry pain point of excessive temperature drift of traditional shunts, and is suitable for various complex temperature variation scenarios.

(3) Full-metal passivation treatment

We have designed the shunt device with a fully metal structure and adopted the acid washing and passivation surface treatment process. After this treatment, the shunt device possesses extremely strong resistance to sulfidation, corrosion, and aging, and can effectively withstand the environmental influences such as outdoor humidity, industrial corrosive gases, and vehicle exhaust. This significantly extends the product's service life. Whether it is outdoor renewable energy equipment or the harsh environment inside the car engine compartment, this shunt device can operate stably, reducing the costs of later replacement and maintenance, and helping the purchaser lower the overall usage cost.

(4) Ultra-low inductance and low thermal electromotive force

For scenarios such as high-frequency power conversion and rapid transient detection, we have optimized the structure of the shunt resistor to ensure its parasitic inductance is below 5nH, nearly zero. This design effectively retains the signal integrity in high-frequency circuits and avoids the measurement errors caused by excessively high inductance in traditional shunts. Additionally, the combination of pure copper electrodes and a homogeneous material structure minimizes the thermoelectric potential, further enhancing the detection accuracy. This design is particularly suitable for applications with extremely high requirements for signal integrity, such as high-frequency switching circuits and motor drives.

(5) Four-wire Kelvin connection

We have integrated four-wire Kelvin connection terminals on the shunt, and through independent voltage detection terminals, we effectively eliminate the detection errors caused by lead resistance, achieving true high-precision current detection. This design does not require additional error compensation components from the customers, simplifying the equipment integration process, while ensuring the stability of the shunt's detection accuracy during long-term operation. It is particularly suitable for scenarios such as industrial control and battery management that have strict requirements for detection errors.

(6) AEC-Q200 Reliability Certification

Each Low Resistance Shunt has undergone strict AEC-Q200 reliability tests, including multiple rigorous inspections such as temperature cycling, high-temperature storage, load life, and humidity and heat tests, to ensure that the products meet automotive-grade performance standards and can be directly applied to automotive electronic-related equipment. We insist on conducting 100% electrical testing for each product, focusing on verifying core parameters such as resistance and tolerance, and also conducting sampling reliability tests on batch products to prevent the release of unqualified products, providing stable and reliable product guarantees for purchasers.


Product Applications


Industry

Specific Application

Description

Automotive Electronics

Battery Management Systems (BMS)

High-precision current sensing for state-of-charge (SoC) and state-of-health (SoH) estimation in EV, HEV, and 48V systems .

Electric Vehicle Chargers

Onboard and offboard charging current monitoring for AC and DC fast chargers .

DC-DC Converters

Phase current sensing in 12V/48V auxiliary power conversion systems .

Industrial Power

Motor Drives & Inverters

High-current phase sensing in VFDs, servo drives, and industrial inverters .

High-Frequency Switching Converters

Low-inductance current sensing in resonant converters and PFC stages .

Renewable Energy

Solar Inverters

DC link and phase current monitoring in grid-tied and off-grid photovoltaic systems .

Energy Storage Systems (ESS)

Battery current measurement in stationary storage for grid and commercial applications .

Test & Measurement

High-Current Shunts

Precision current measurement for laboratory power supplies, electronic loads, and data acquisition systems .

Calibration Equipment

Reference shunts for calibrating high-current meters and sensors .

Telecom & Server

Power Distribution Units (PDU)

Current monitoring for server racks and data center power management .

High-Power Rectifiers

DC current sensing in telecom base station power systems .


Packaging and Delivery


We attach great importance to the transportation safety of each Low Resistance Shunt. We have formulated a detailed packaging and delivery plan to ensure that the products arrive at the purchaser's hands intact from the factory. During batch packaging, we will place each shunt in a foam-buffered anti-static bag, and then put them uniformly into corrugated cardboard boxes. This effectively prevents the terminals from being damaged and the components from deforming during transportation.

For the current terminals and detection terminals of the shunts, we use foam covers or adhesive tapes for fixation to ensure that the terminals remain straight and do not affect the subsequent installation and use by the purchaser. When each batch of goods is dispatched, we will attach a packing list and inspection certificate to the goods to facilitate the purchaser's acceptance and verification. At the same time, we provide complete technical documents to meet the compliance review requirements.

In terms of transportation methods, we offer flexible options: small batch orders are transported by international courier services such as DHL, FedEx, and UPS, which are fast and ensure that the purchaser receives samples or small batches of goods quickly; medium batch orders are transported by air, balancing the timeliness and cost; large batch orders are transported by sea, significantly reducing transportation costs, and fully adapting to different purchase quantities. In addition, we also provide clear storage suggestions. We recommend storing the shunts in an indoor environment with a temperature of 25°C ± 5°C, a relative humidity of less than 70%, good ventilation, and no corrosive gases, to extend the product's service life when idle.


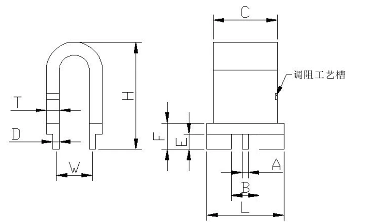
Low Resistance Shunt


Drawing and dimensions


Low Resistance Shunt

Low Resistance Shunt


Reasons for Choosing RST Electric


(1) Direct supply from the source factory

We are a legally certified manufacturer of Low Resistance Shunt in China, having been dedicated to this field for over 10 years. We have an ISO 9001-certified production base and an exclusive high-current shunt production line. We strictly control all production processes independently, without any price hikes at any intermediate stages. Our factory direct supply model enables buyers to purchase high-quality FLU series shunts at more reasonable costs, significantly enhancing the purchasing value for cost.

(2) Professional Team Support

We have an experienced engineering team dedicated to the research and development of current detection solutions for the automotive and industrial sectors. We can provide customized product design and technical support based on the specific application scenarios of the buyers. At the same time, we strictly adhere to 100% electrical testing (resistance, tolerance, TCR sampling verification), and each product undergoes strict quality control to ensure stable and consistent performance, meeting the batch production requirements of the buyers.

(3) Global Layout

Our products have been exported to 40+ countries including Germany, the United States, Japan, South Korea and Brazil. We are a reliable partner for global automotive tier-one suppliers, battery management system manufacturers and industrial power enterprises. We have accumulated rich industry experience in the fields of ultra-low resistance and high-precision high-current detection. We are familiar with the industry standards and compliance requirements of different countries and can provide products and services that meet local standards for our customers.

(4) Improve delivery and after-sales services

We offer flexible delivery periods. For standard specifications, the delivery time is 10-15 working days. For customized products, the delivery time is 15-25 working days. These periods can be flexibly adjusted according to the production schedule of the buyer to ensure that it does not affect the buyer's production plan. At the same time, we provide a 12-month warranty service. During the warranty period, remote fault diagnosis, spare parts delivery services can be provided. Professional technical teams can assist the buyer in completing product integration and debugging, and provide full protection for the buyer's procurement and usage throughout the process.




Hot Tags: Low Resistance Shunt, Supplier, Wholesale, Custom, Manufacturer
Send Inquiry
Contact Info
If you have any enquiry about quotation or cooperation, please feel free to email or use the following inquiry form. Our sales representative will contact you within 24 hours.
X
We use cookies to offer you a better browsing experience, analyze site traffic and personalize content. By using this site, you agree to our use of cookies. Privacy Policy
Reject Accept